
Superclamp S-serie met draaibare bekken
Toepassing: Creëren semi-permanent ophangpunt
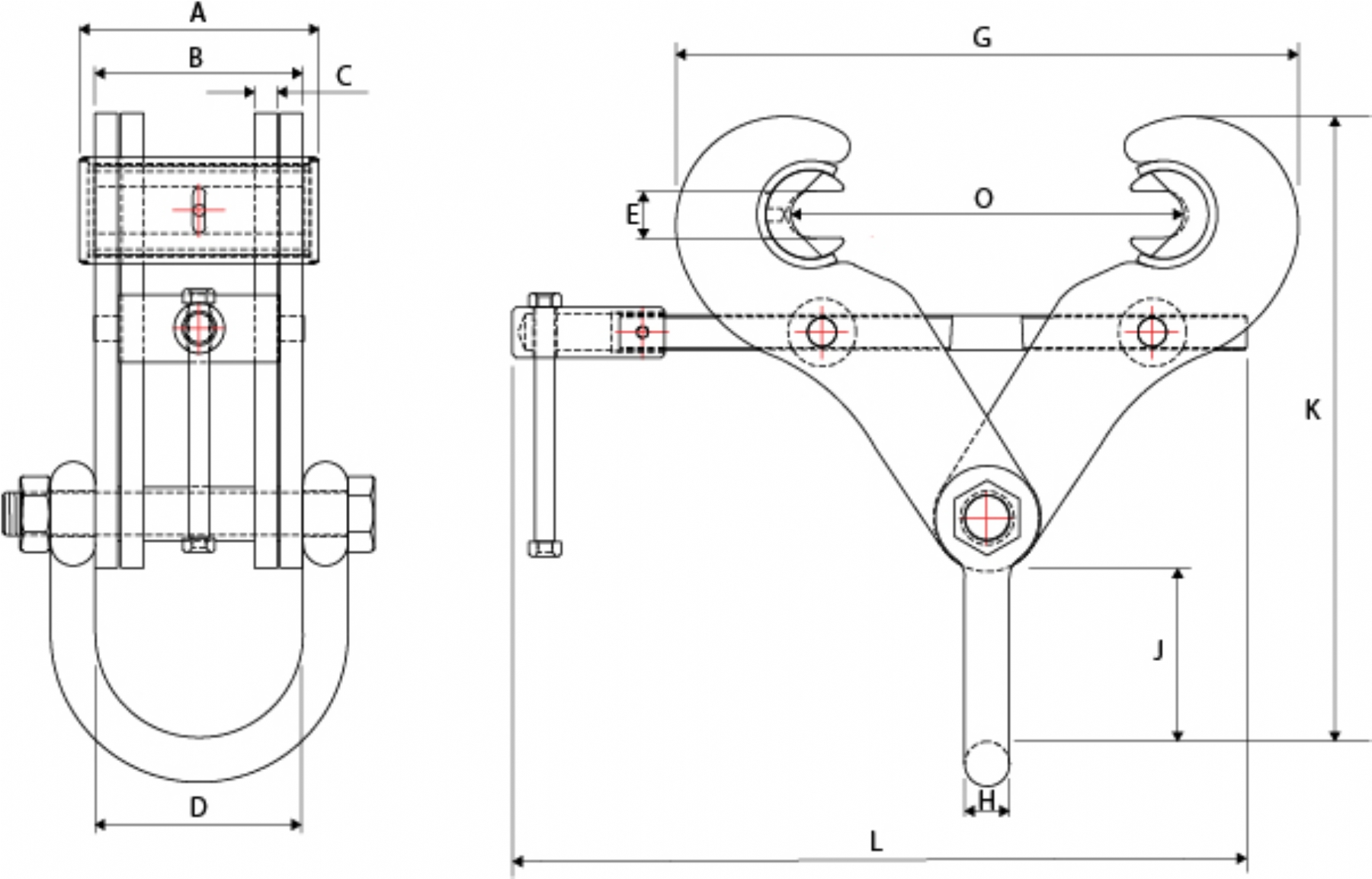
Bekopening: 89 – 305mm
WLL: Maximum 10 ton
Varia: Grotere bekopeningen mogelijk door de verstelbare bekken.
Offerte
Vraag gerust vrijblijvend een offerte aan.
REMA Superclamp S-serie met verstelbare bekken is een verstelbare spindelbalkenklem die automatisch de balkflenzen op een optimale manier vastgrijpt waardoor grotere bekopeningen mogelijk zijn.
Kenmerken:
Robuuste uitvoering. Grote bekopeningen. Snelle montage.
Norm:
EN12100-1/2, EN13157,|EN2018, EN2009
| Artikel nr. | Type | Veilige werklast (Kg) | Bek-opening (mm) | A (mm) | B (mm) | C (mm) | D (mm) |
| 5004314 | S5 | 3000 | 89 – 305 | 134 | 93 | 6 | 95 |
| 5004315 | S5A | 3000 | 89 – 305 | 134 | 116 | 10 | 116 |
| 5004316 | S6 | 5000 | 89 – 305 | 134 | 116 | 10 | 116 |
| 5004317 | S6A | 5000 | 89 – 305 | 134 | 116 | 12,5 | 116 |
| 5004318 | S11 | 10 000 | 89 – 305 | 134 | 116 | 20 | 118 |

| Type | E (mm) | G (mm) | H (mm) | J (mm) | K (mm) | L (mm) | Gewicht (Kg) |
| S5 | 25,4 | 348 | 20 | 102 | 359 | 410 | 10 |
| S5A | 25,4 | 348 | 25 | 110 | 375 | 410 | 13,5 |
| S6 | 25,4 | 348 | 25 | 110 | 375 | 410 | 13,8 |
| S6A | 25,4 | 348 | 25 | 110 | 375 | 410 | 15,2 |
| S11 | 25,4 | 348 | 32 | 112 | 391 | 410 | 20,6 |


